2021-10-11欧陆590直流调速器接线设置 590视频讲解(一)
欧陆590直流调速器接线设置 590视频讲解(一)
了解详情
欧陆590直流调速器接线设置 590视频讲解(一)
了解详情
西门子发布基于Web的可视化系统, 树立工业操作控制和监控新标准• SIMATIC WinCC Unified:基于本地Web技术、全新开发的可视化系统• 实现了软硬件的完全可扩展性:从机器级应用...
了解详情
变频器六大应用故障的排除方法:一、过流: 过流是变频器报警最为频繁的现象。 现象: (1) 重新启动时,一升速就跳闸。这是过电流十分严重的现象。主要原因有:负载短路,机械部位...
了解详情
590直流调速器的操作方法: 1、通电开机后按M键出现DIAGNOSTIS后按向下键头找到SET UP PARAMETERS(设定参数),按M键进入菜单,按向下键找到FIELD CONT...
了解详情
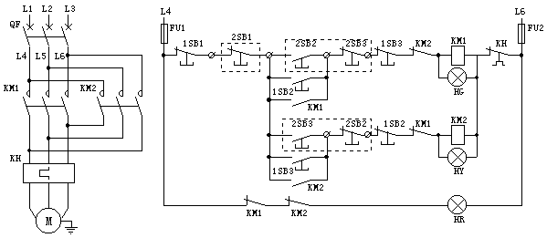
一、控制原理图二、设计说明1、本设计适用于电压380V、电机功率不超过22KW的交流电动机可逆起动控制。具有短路、过载、失压保护。2、可以两地控制,具有外部控制端子,图中2SB1、2SB2、2SB3、...
了解详情Copyright © 2002-2020 45612藏宝阁资料 版权所有 备案号:沪ICP备17021479号