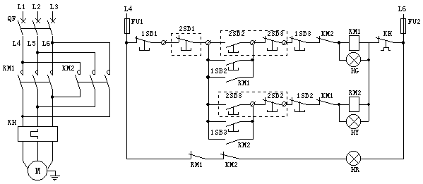
一、控制原理图

二、设计说明
1、本设计适用于电压380V、电机功率不超过22KW的交流电动机可逆起动控制。具有短路、过载、失压保护。
2、可以两地控制,具有外部控制端子,图中2SB1、2SB2、2SB3、2SB3为外部控制按钮,可以控制电机的 可逆起动及停机。如果不需要外部按钮控制,可直接在接线端子处将2SB1按钮以及2SB2、2SB3按钮的互锁触点的两端短接 (2SB2、2SB3的控制触点不能短接)。
3、设计箱体为冷轧板结构,冷轧板表面作除锈、防腐、喷塑处理。要求冷轧板厚度不得小于2mm。设计箱体颜色为苹果绿或桔纹浅驼色。
三、箱体尺寸


四、主要元件表

简体中文
English
全国服务热线